智能单晶硅差压变送器 PRS-300
发布日期:2024年04月22日

PRS-300 智能单晶硅差压变送器采 用德国先进的 MEMS 技术制成的单晶硅 传感器芯片、全球独创的单晶硅双梁悬浮 式设计,实现了国际领先的高准确度、超 高过压性能优异的稳定性。内嵌德国信号 处理模块,实现静压与温度补偿的完美结 合,可在大范围内的静压和温度变化下提 供极高的测量精度和长期稳定性。
PRS-300 智能单晶硅差压(流量) 变送器能准确的测量差压,并把它转换成 4...20mA DC 的输出信号。该变送器可 通过三按键本地操作,或通用手操器、组 态软件、以及手机 APP 远程操作,在不 影响 4...20mA DC 的输出信号的同时, 进行显示与组态。
产 品 应 用
石油 / 石化 / 化工
与节流装置配套,提供精确的流量测量 和控制。精确测量管道和贮罐的压力和 液位。
电力 / 城市煤气 / 其它
要求高稳定和高精度的压力、流量、液 位测量等场所。
纸浆和造纸
用于要求耐化学液体、耐腐蚀性液体的 压力、流量、液位测量场所。
钢铁 / 有色金属 / 陶瓷
用于炉膛压力、负压测量等要求高稳定 性,高精度测量场所。
机械装备 / 造船
用于在严格控制压力、流量、液位等指 标条件下,要求稳定测量的场所。
产 品 优 势
高准确度
差压(流量)变送器在 -10~10MPa 的 测量范围内,可进行高准确度测量。 标准校验量程参考精度:±0.075%
优异的单边过压性能
最大单边过压可达 10MPa 优异的环境适应性 智能静压补偿和温度补偿,保护变送器 不受温度、静压与过压的影响,将现场 的综合测量误差控制到最小
优异的操作性和使用便利性
▪ 备有 5 位带背光 LCD 数字显示器
▪ 多种显示功能 ( 参照选型注释)
▪ 内置三按键快捷操作就地调整功能
▪ 备有各种抗腐蚀材料
▪ 全面自诊断功能
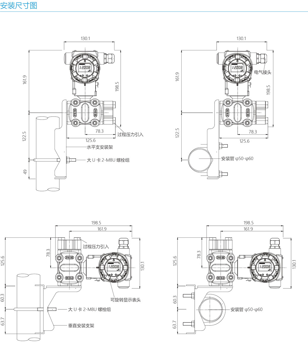
产 品 规 格
.jpg)


